1310nm(O波段)半導體光放大器(SOA)系列產品,主要應用于40G/100G 1310nm(4波LWDM/CWDM)光放大。支持溫度監測和TEC熱電控制,全溫度工作范圍穩定運行。定制化服務:可支持保偏、集成隔離器、集成PD光功率監控等更高集成度的器件訂制。
單模版本
保偏版本
品牌:Bonphot
|
參數 |
符號 |
工作條件 |
最小值 |
典型值 |
最大值 |
單位 |
|
工作波長 |
λ |
T=25℃ |
1260 |
1300 |
1340 |
nm |
|
帶寬 |
Δλ |
@-3dB |
60 |
- |
- |
nm |
|
小信號增益 |
G |
If=120mA Pin=-25dBm |
20 |
- |
- |
dB |
|
飽和光功率 |
Psat |
If=120mA |
10 |
- |
- |
dBm |
|
飽和光功率(保偏) |
Psat |
If=120mA |
`0 |
- |
- |
dBm |
|
偏振消光比(保偏) |
Per |
- |
20 |
- |
- |
dB |
|
工作電流 |
If |
- |
- |
120 |
200 |
mA |
|
正向電壓 |
Vf |
- |
- |
- |
1.8 |
V |
|
TEC電流 |
ITEC |
- |
- |
- |
1.8 |
A |
|
TEC電壓 |
VTEC |
- |
- |
- |
3.4 |
V |
|
偏振相關增益 |
PDG |
- |
- |
1 |
2 |
dB |
|
噪聲系數 |
NF |
- |
- |
7.5 |
- |
dB |
|
熱敏電阻阻值 |
Rtherm |
T=25℃ |
9.5 |
10 |
10.5 |
KΩ |
|
熱敏電阻電流 |
Itherm |
- |
- |
- |
5 |
mA |
|
氣密性 |
|
T=25℃ |
1*10-12 |
1*10-11 |
1*10-8 |
Pa.m3/s。 |
|
工作溫度 |
TC |
I=Iop |
-10 |
- |
70 |
℃ |
|
存儲溫度 |
Tstg |
- |
-40 |
- |
85 |
℃ |
|
總功耗 |
P |
- |
- |
- |
4 |
W |
備注 1:氣密性數值為管殼封裝數值,排除管殼外部殘留干擾測試得出。
|
典型特性 |
|
|
|
|
|
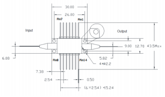
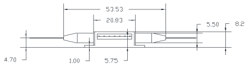
結構尺寸和管腳定義 |
|
|
|
|
|
|
|
|
訂貨信息 |
產品描述 |
|
SOA-1310-10-G20-SM-FA |
1310nm波段-10dBm飽和輸出功率20dB增益-蝶形封裝-單模光纖-FC/APC接頭 |
|
SOA-1310-10-G20-PM-FA |
1310nm波段-10dBm飽和輸出功率20dB增益-蝶形封裝-保偏光纖-FC/APC接頭 |
